Monday, February 14, 2022

A 500 Watt HF Power Amplifier: Part 5 - Controller

Caution: This project is in the design and simulation stage.  Changes will be made as prototyping, building, testing, evaluation and commissioning proceeds.

The controller is based on the Arduino Due module.  I have chosen it for two reasons (other than I don't have any in my junk box).  One is that it has high I/O pin count and will obviate the need for adding an I/O expander.  The other is is that it has a 12 bit A/D convertor (weather I need it or not is a different story).

I am powering the Arduino from the 12 volt supply and using its 3.3 volts output to power the controller board.

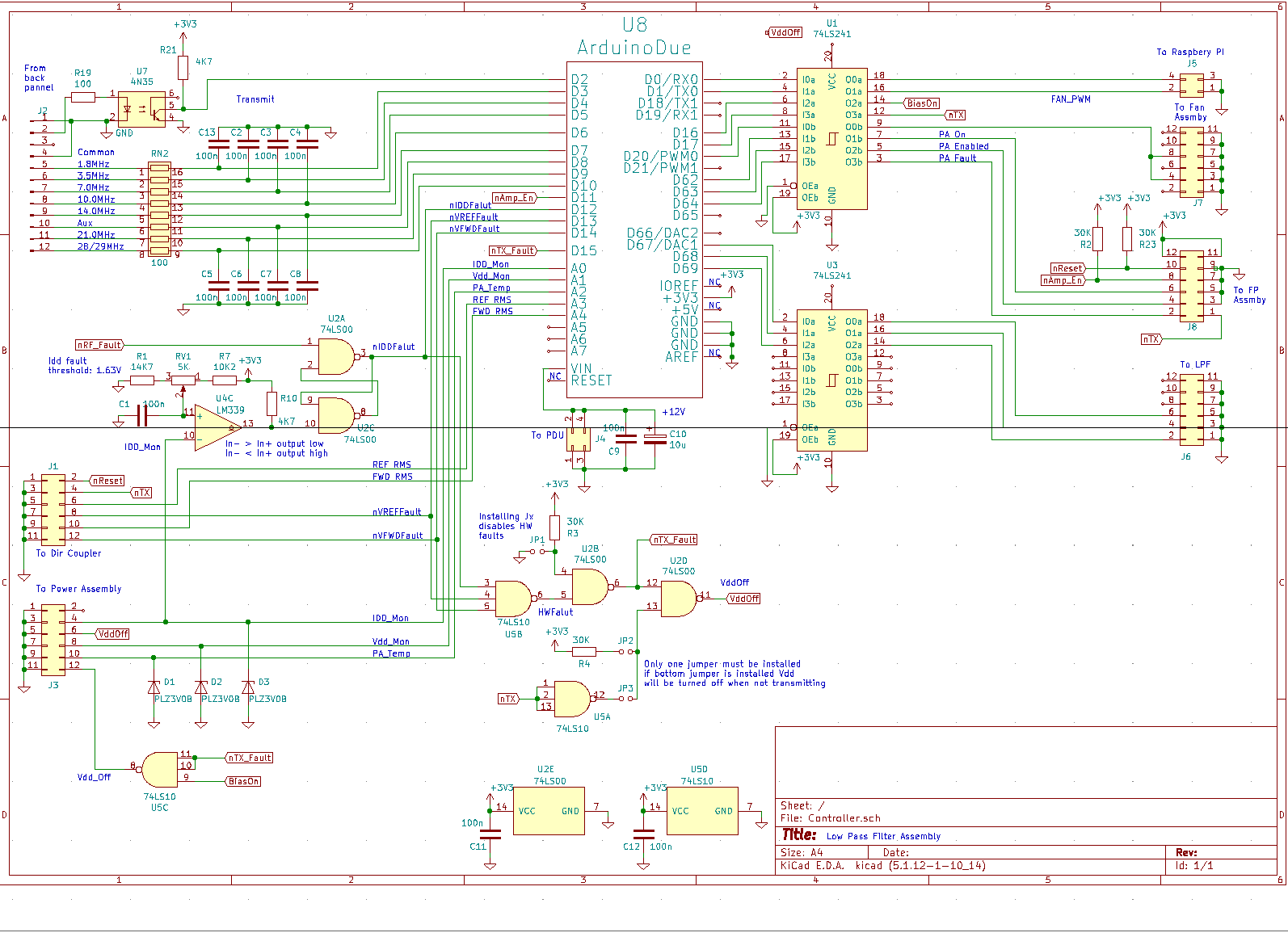
These are the connectors on the controller module, pin count, connecting module, and function.

  1. Connector to the back panel (12 pin) picking up the signals from the Ten Tec transceiver.
  2. Connector to the directional coupler (2x6 pin) for forward and reflected signal power levels and hardware fault status as well as sending the transmit and reset signals.
  3. Connector to the power stage module (2x6 pin) bringing back the supervisory monitoring signals and sending signals to turn off power and bias.
  4. Connector to the low pass filter (2x6 pin), one line for each of the filter banks for a total of 3 lines (software note - they are exclusive of each other).
  5. Connector to the front panel (2x6 pin) for the LEDs and enable and reset switch
  6. Connector to the fan module (2x6 pin) to set the fan speed with PWM signal
  7. Serial link to the Raspberry Pi (2x2 pin) running the Stationmaster software.
  8. 12 Volt power input connector (2x2 pin).
All connectors (except the front panel and back panel Ten Tec connectors) have interleaved ground pins.

The transmit signal from the Ten Tec (it is 13.5 volts high) through an opto isolator before presentation to Arduino.

The power detection and thresholding of the forward and reflected voltage are done on the directional coupler (see Part 4) and directly input to the Arduino.  From the simulation data, I did not see any reason to peak detect the Idd monitoring voltage from the Hall Effect device on the power stage module.  So, the Arduino directly reads it.  For quick action hardware protection, a comparator similar to the one used by Jeff, K6JCA is used.  The forward and reflected voltage comparators are on the directional coupler board.

The hardware protection logic is exactly the same as Jeff's except it is implemented with NAND logic (a habit from my youth).  All logic signals that matter (e.g. turning on power and bias to the output stage) are low true and pulled up at the destination to disable the function in the absence of stable input signal.  All input signals that have a risk of exceeding 3.3 volts are protected by a 3 volt zener.  The source resistance of the signal will limit the current through the zener.

Here is the schematic for the controller.


A 500 Watt HF Power Amplifier: Part 1 - Overview



No comments:

Post a Comment